金航标电子产品打入中国重汽供应链
2020-03-18
深圳市金航标电子有限公司是在北斗行业有竞争力的企业,是国家级高新技术和双软认证企业,取得了ISO9000质量管理认证(编号:04617Q13625ROS)和深圳市军工企业备案资质。研发生产“kinghelm”系列北斗卫星定位导航硬件产品,和智慧物联网平台(www、BDS666、com),是北斗行业软硬件结合发展的领军企业。
近日传来喜讯,经过几年的努力,深圳市金航标电子有限公司成为中国重汽集团的合格二级供应商,进入了门槛极高的中国重汽集团供应链体系。“Kinghelm”品牌的北斗/GPS模块、北斗/GPS天线、连/转接线、板端等已经大批量应用于重汽的产品上。该重型车辆在北斗产品的导航下奔驰在世界各地,金航标为我国北斗产品走出中国服务世界出了一份力!

金航标产品图
kinghelm 北斗/GPS双模模块 KH-1612-UB8X:
功 能:定位、接收卫星信号,再转换为您终端设备可识别的位置信息。
特 点:体积小精确度高、同时支持 bd2 b1 和 gps l1 两个频点,并行双 32 通道; 标准 nmea0183 数据输出,数据刷新率为 1hz。
适用范围:广泛应用于航运、公路交通、车载监控、车载导航、手持及物品跟踪等领域。

北斗/GPS 模块 KH-1612-UB8X 引脚图
Kinghelm 北斗/GPS天线 KHA-208
功 能:接收天线用于接收转发导航信号,将无线导航信号转换成电信号,传给终端设备。
特 点:方便小巧,便于携带,天线底部附有磁盘或者3M胶贴,体积小、重量轻、便于安装、经济实用。有高稳定度的相位中心,提供灵活的天线安装与放置。
适用范围:各类导航 定位 测速

重汽集团图号为:WG9918788074/1,标签ID号为:37.1.00042)
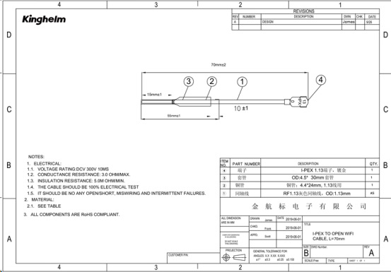
Kinghelm 射频连接线 KH-B80
功 能:传输射频( RF )信号,提供屏蔽保护,防电磁干扰。
特 点:可以传输较宽的频带、对外界干扰的防卫度高、天线效应小,辐射损耗小、结构简单,安装便利,经济实用。
适用范围:通讯 安防 车载。

金航标公司的“kinghelm”品牌模块天线产品还包括: G-mouse物联网一体模块、陶瓷天线、胶棒天线、鲨鱼鳍天线(4合1)等,广泛应用于安防监控、“两客一危”的车辆和运营平台、车联网T-BOX,OBD等产品,和www、BDS666、com智慧平台结合,为客户提供高效周到的服务。

金航标产品图

